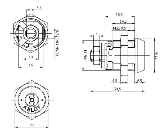
ABLOY CL200 Cam Lock
ABLOY® Cam Locks have been developed to meet the highest levels of security in the field of equipment locking. Our extensive range consists of both standard products and a wide selection of customised products.
The superior benefits offered by ABLOY® Cam Locks make them ideally suited to the most demanding, high security applications where valuables are located either behind small doors or in enclosers, e.g. vending machines, cash dispensers, gaming machines, parking meters, pay phones, coin-operated laundry machines etc.
Our long experience in high security products and our high levels of expertise guarantee you the best possible choice for your particular application.
The unique ABLOY® cylinder construction, patented cylinders, strict key control and extensive masterkeying capabilities make ABLOY® Cam Locks ideally suited for the most demanding applications.
Unique construction
Based on a unique operating principle which employs rotating detainer discs, ABLOY® Cam Locks offer advantages that other locking systems cannot achieve.
Virtually pickproof
Only the correct key can align the gates on all the discs and permit the locking bar to disengage the cylinder from the housing. The ABLOY® PROTEC2 & ABLOY PROTEC platforms employs a new, patented disc blocking system (DBS) which makes it impossible to manipulate the lock so that it opens without the correct key.
Physical strength
ABLOY® Cam Locks combine excellence in design with the very latest engineering and production technology. Additional resistance to physical attacks is ensured by the use of case-hardened steel components.
Masterkeying capabilities
Based on a unique operating principle which employs rotating detainer discs, ABLOY® Cam Locks offer advantages that other locking systems cannot achieve.
Resistance to harsh conditions
The ABLOY® cylinder contains no springs or pins which could cause it to malfunction in a wide range of environmental conditions. All the components are hightly resistant to wear, dirt, moisture, corrosion or freezing conditions.
User-friendly
The disc control system and symmetrical key make ABLOY® Cam Locks easy to operate.
ABLOY CL200 Cam Lock
Similar products
ABLOY PROTEC
Symmetrical 9 or 11 Disc.ABLOY SENTRY
Symmetrical 11 or 9 Disc.ABLOY Classic
Asymmetrical 5 to 11 Disc.
NOTE: Cam Locks are Right Hand (Clockwise) rotation as standard. For Left Hand (anti-clockwise) non standard product contact the sales office.
* Cam locks can be changed from 90 to 180 with the standard governor supplied.
* Only 11 disc products can be keyed to door cylinders.
Additional Information
Cam Locks Comparison Table
ABLOY Cam Lock Accessories
ABLOY Cam Locks in Detail